Wyślij pytanie dotyczące produktu
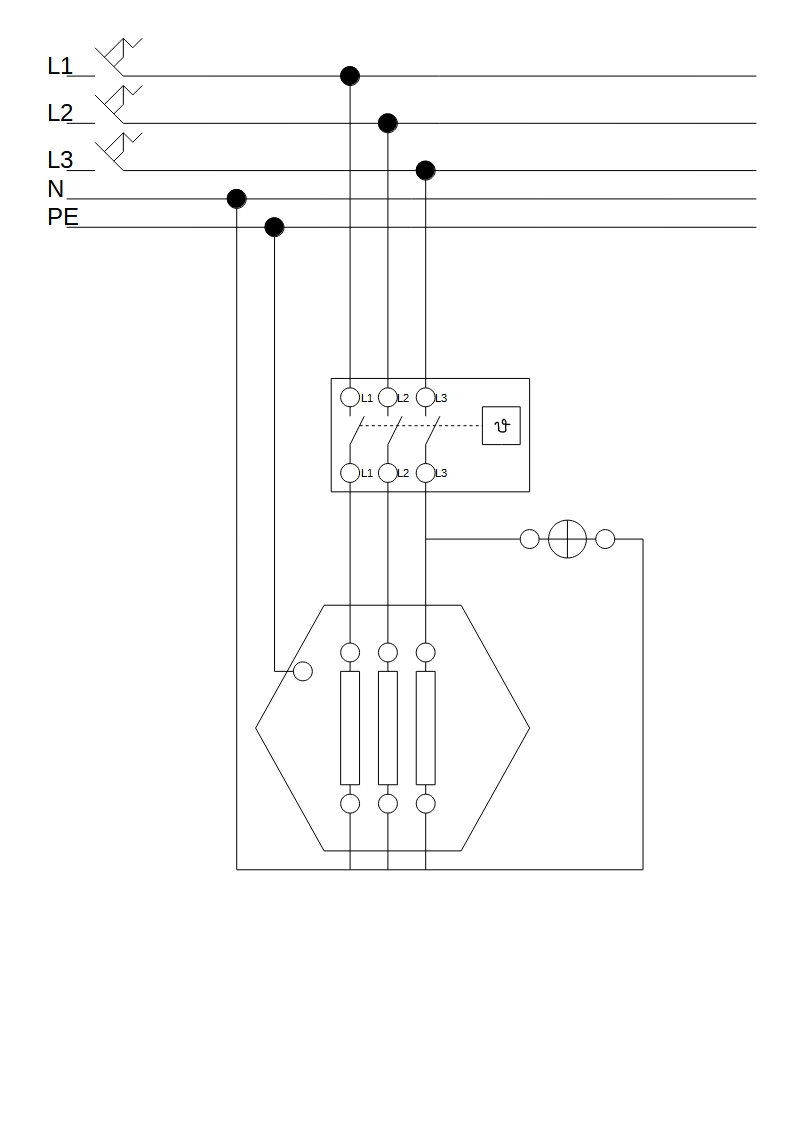
Grzałki do zbiorników o dużej i bardzo dużej pojemności wykonane z rurki AISI316L
Dane techniczne:
Strona korzysta z plików cookie w celu realizacji usług zgodnie z Polityką prywatności.
Możesz określić warunki przechowywania lub dostępu do cookie w Twojej przeglądarce.